1. Widerstand 470 Ohm durch 100 Ohm ersetzen (R114)
2. Widerstand 100 kOhm durch 10 kOhm ersetzen (R115)
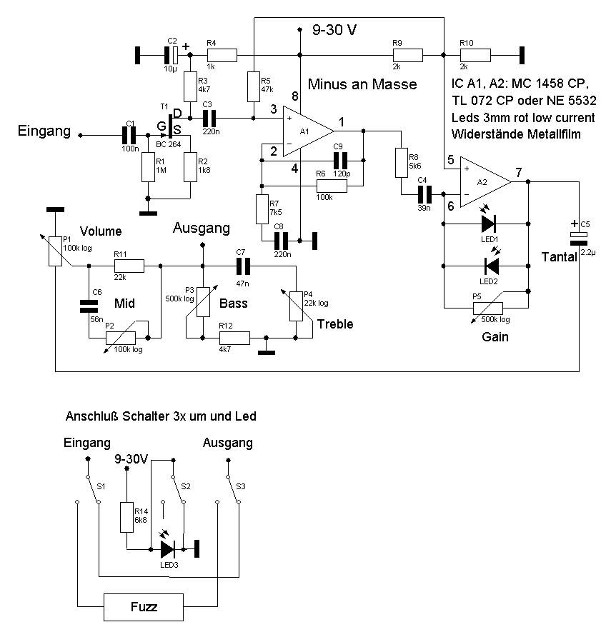
3. Wenn das IC nicht JRC 4558 ist durch JRC 4558 ersetzen.
Am besten dann eine 8-polige IC-Fassung einlöten, so kann man
verschiedene ICs probieren.
Gut sind MC1458, klingt am meisten nach Marshall oder TL072, der
beste Allround IC, LF353 ein wenig mehr Attack,
NE5532 rauscht
am wenigsten oder halt das Original für Vintage Freaks JRC4558.
Am besten kauft man alle zum probieren, kosten alle nur kleines
Geld!

Mir persönlich ist aber der Tubescreamer insgesamt zu
mittenbetont. Mehr Bass bekommt man, wenn man Kondensator C103
von 47n auf ca. 150n erhöht, so habe ich das gemacht.

